在当今电子科技飞速发展的时代,高性能低成本非隔离交直流转换芯片 G2365M-5 犹如一颗璀璨的新星,备受关注。
· 输入电压范围:可支持 [具体的输入电压范围,比如 100V - 240V AC],能够适应多种不同的市电输入情况,确保在不同供电环境下稳定工作。
· 输出电压:稳定输出 5V 直流电压,电压精度可达 [具体精度数值,例如 ±3%],这样高精度的输出能很好地满足各类对电压精度要求较高的应用场景。
· 最大输出电流:具备 [具体电流数值,如 1A] 的最大输出电流能力,可为连接的负载提供充足的电能供应。
· 开关频率:其开关频率设定在 [具体频率数值,例如 65kHz] 左右,合理的开关频率有助于提升电源转换效率以及减少电磁干扰等问题。
· 启动时间:正常启动时间大约在 [具体时长,如 100ms] 以内,能快速进入工作状态,满足实际使用中对启动速度的要求。
这款芯片在诸多方面展现出了卓越的性能。从整体概述来看,它集高集成度、高性能、低待机功耗等优势于一体,是开关电源芯片领域的佼佼者,尤其在非隔离开关电源应用上更是大放异彩,有着广泛的用武之地。
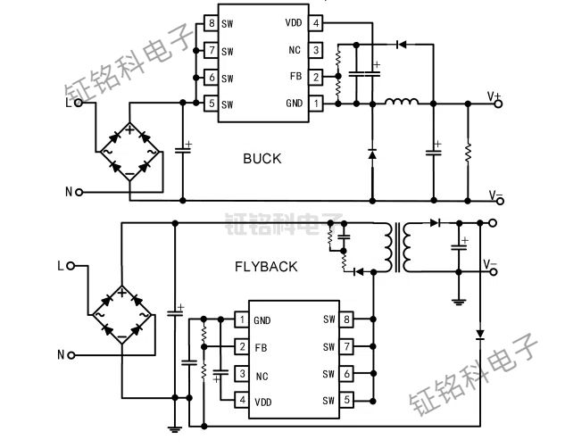
在内部集成方面,其精心设计的高压启动电路与电流采样电路意义重大。通过这样的集成,外部无需再去配备启动电阻和电流采样电阻,这可不仅仅是简单地减少了几个器件,而是极大地优化了整个系统的构造。外围器件数量大幅削减,直接带来了系统成本的有效降低,同时让系统体积变得更为小巧紧凑,在空间利用上优势明显。而且,凭借先进的技术,它无需其他补偿器件就能达到优异的输出电压精度以及理想的负载调整率,这一点在众多同类产品中显得格外突出。

G2365M-5 配备得相当周全。VDD 欠压和钳位保护、输出过压保护、过流保护、过温保护以及输出短路等多方面的保护机制一应俱全,就如同给芯片穿上了一层坚固的 “铠甲”,无论是在复杂多变的工况下,还是面对一些突发的异常情况,都能全方位保障芯片稳定、安全地运行,让使用者没有后顾之忧。
芯片的特点也十分亮眼,内置高压功率管为其稳定运行筑牢根基;独特的内置电路设计带来诸多便利;输出 5V 应用满足了很多特定场景的电压需求;优异的动态响应让它能迅速适应各种使用状态的变化;内置软启动电路确保启动过程顺滑平稳;完善的保护功能更是让使用者倍感安心。

在应用领域,它活跃在多个重要场景中。像AC-DC非隔离开关电源,它是不可或缺的关键部分;对于小家电辅助电源,能提供可靠的电力支持;在电机驱动辅助电源和智能照明辅助电源方面,同样发挥着重要作用,助力相关系统高效稳定运行。而 SOP8 封装模式,又赋予了它良好的适配性,使其能更好地融入不同的电子设备当中。
总之,G2365M-5 芯片凭借其出色的性能,正在诸多领域书写着属于自己的精彩篇章。
Copyright © 2017-2021 深圳市钲铭科电子有限公司 版权所有
东方彩QQ:41290014 电话:86 0755 2759 3052 E-mail:sale@linkage.cn