SM15016R和SM15016S这两款PWM驱动芯片在功能上有许多相似之处,但它们在通信协议上存在显著的区别。以下是两者之间的主要差异和共同点:
主要差异:通信协议
1. SM15016R(单线归零码SID):

- 采用归零码(Return-to-Zero, RZ)协议进行通信。归零码是一种数字信号编码方式,在每个时钟周期内,信号电平都会返回到零电平。
- 速率固定为800Kbps。
- 适用于需要单线通信的场合,但通信效率可能受到一定限制。

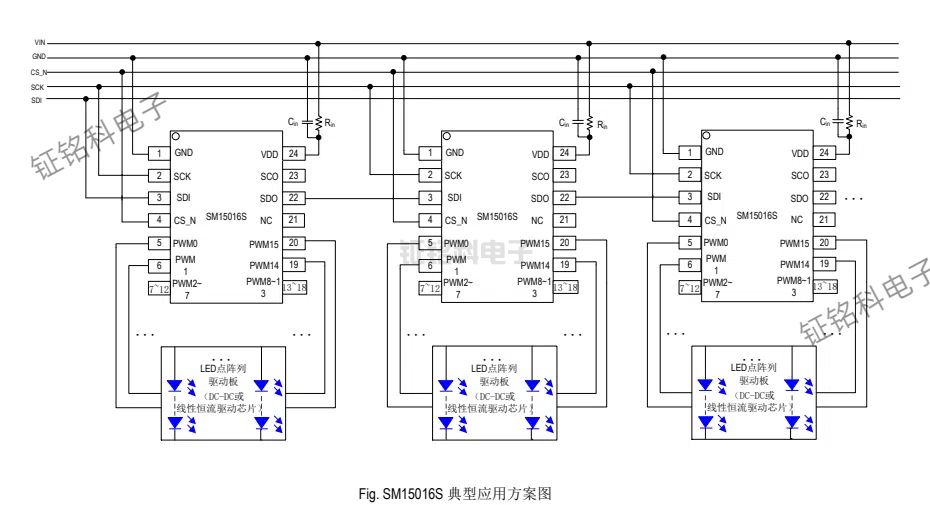
2. SM15016S(SPI协议):

- 采用SPI(Serial Peripheral Interface)协议进行通信。SPI是一种同步串行通信协议,通常用于短距离通信,具有高速、全双工的特点。
- 相比单线归零码,SPI协议可以提供更高的通信速率和更灵活的通信方式。
- 适用于需要高速、多线通信的场合。

共同点:
1. 输出端口和电流选择:
- 两者都提供16个CMOS输出端口。
- 根据应用负载和EMC需求,输出电流均可选23mA或45mA。
2. PWM频率:
- 两者的PWM频率都高达**KHz(此处**为占位符,具体频率值未给出,但两者应该相同或相近)。
- 高频率的PWM信号可以有效解决拍照或摄像时的画面“频闪”问题。
3. 低灰平滑渐变功能:
- 两者都具备低灰平滑渐变功能,可以实现灯具低灰渐变显示效果更平滑。
4. PWM最大占空比系数调节:
- 两者都内置了PWM最大占空比系数调节功能,无需变更硬件方案即可调节灯具最高亮度。
综上所述,SM15016R和SM15016S在功能上相似,但通信协议上的不同使得它们适用于不同的应用场景。SM15016R适用于需要单线通信且速率要求不高的场合,而SM15016S则更适合需要高速、多线通信的场合。
东方彩Copyright © 2017-2021 深圳市钲铭科电子有限公司 版权所有
QQ:41290014 电话:86 0755 2759 3052 E-mail:sale@linkage.cn