在选择SM16823E和SM16824E这两款单线归零码驱动芯片时,需要考虑应用的具体需求、LED的数量和类型、以及期望的显示效果等因素。以下是对这两款芯片的选择建议:
SM16823E特点与适用场景
特点:
* 单线串联的三通道LED恒流驱动芯片。
* 支持60\~350mA的输出电流范围,通过外接REXT电阻灵活设置。
* 提供16个电流增益等级,通过控制器协议数据设置OUT R/G/B端口电流增益。
* 输出65536级灰阶(GAMMA校正),显示效果细腻平滑。
* 刷新率高达4KHz,有助于减少拍摄画面中的暗条纹。
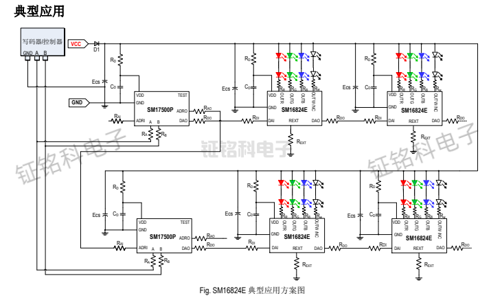
* 配合SM17500P,可应用于并-串结合的方案上。
适用场景:
* 需要控制三个LED通道的应用,如RGB全彩LED显示。
* 对显示效果有较高要求,需要细腻平滑的灰度过渡。
* 需要高速刷新率以减少画面干扰的应用,如舞台照明、广告牌等。

SM16824E特点与适用场景
特点:
* 单线串联的四通道LED恒流驱动芯片。
* 同样支持60\~350mA的输出电流范围,通过外接REXT电阻灵活设置。
* 提供16个电流增益等级,通过控制器协议数据设置OUT R/G/B/W端口电流增益。
* 输出65536级灰阶(GAMMA校正),显示效果同样细腻平滑。
* 刷新率高达4KHz,解决拍摄画面暗条纹问题。
* 配合SM17500P,可应用于并-串结合的方案上。
适用场景:
* 需要控制四个LED通道的应用,如RGBW全彩LED显示(其中W代表白色LED,可用于增加亮度和色彩饱和度)。
* 对显示效果有极高要求,需要更丰富的色彩和亮度表现。
* 需要高速刷新率以减少画面干扰的应用,如高端舞台照明、大型广告牌等。

选择建议
1. 根据LED通道数量选择:
* 如果应用只需要控制三个LED通道(R/G/B),则选择SM16823E。
* 如果应用需要控制四个LED通道(R/G/B/W),则选择SM16824E。
2. 根据显示效果要求选择**:
* 如果对显示效果有极高要求,需要更丰富的色彩和亮度表现,选择SM16824E(四通道)可能更适合。
* 如果显示效果要求适中,且预算有限,选择SM16823E(三通道)也是一个不错的选择。
3. 根据应用场景选择:
对于需要高速刷新率以减少画面干扰的应用(如舞台照明、广告牌等),两款芯片均能满足需求,但具体选择还需根据LED数量和显示效果要求来决定。
综上所述,SM16823E和SM16824E都是高性能的单线归零码驱动芯片,选择哪款更适合取决于应用的具体需求和期望的显示效果。
东方彩Copyright © 2017-2021 深圳市钲铭科电子有限公司 版权所有
QQ:41290014 电话:86 0755 2759 3052 E-mail:sale@linkage.cn